铜陵染雅汽车租赁有限公司

当前位置:首页 > 产品中心 > 自动化类产品 > 正文 浪拜迪电气股份有限公司
自动化类产品

LBD-LCT型零序电流互感器

更新时间:2014-08-01 10:38:00点击次数:15716次字号:T|T
相关介绍

1 简介

LBD-LCT系列零序电流互感器是电缆型,适合于电力、冶金、煤炭、铁路、石油、化工、建材等行业的供电系统中使用。产品采用ABS工程塑料外壳,树脂浇注成全密封,使用绝缘油制冷切割工艺,有效避免了互感器在长期使用过程中的锈蚀。外形设计为Ω形和方形两种,美观合理、结构新颖。绝缘性能好,外型美观,具有灵敏度高、线性度好、运行可靠、安装方便的特点,其性能优于一般的零序电流互感器。应用范围广泛,不仅适用电磁型继电保护,还能适用于电子和微机保护装置及小电流接地选线装置,用户可根据具体用途选用相适应的零序电流互感器。

2 使用环境

2.1环境温度:-10℃~+60℃,日平均气温不超过+40℃。

2.2相对湿度:<85%。

2.3大气压力:80kPa~200kPa。

2.4周围介质无导电尘埃与导电金属或使绝缘损坏腐蚀性气体、霉菌等。

3 零序电流互感器通用技术指标

3.1交流电压:0.38~66kV。

3.2电网频率:50Hz。

3.3同名端:一次由互感器正面“L1”侧穿入,二次为“K1”。

3.4检验依据:GB1208-2006《电流互感器》。

3.5所有产品提供整体和分体组合两种方式,默认方式分体组合式。

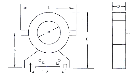
4 零序电流互感器外形参数

4.1 Ω型产品示意图;型号及安装和外型尺寸。



Ω型产品示意图

Ω型产品型号及外型和安装尺寸 单位:毫米

型号

内孔?

宽度L

高度H

厚度D

中心高h

地脚尺寸

螺栓规格Md

中心距A

LCT-2

80

175

163

57

95

M8*25

110±1

LCT-3

100

205

198

56.5

115

M8*25

110±1

LCT-4

120

220

208

56

118

M8*25

110±1

LCT-6

160

308

300

82

165

M12*25

220±1

LCT-7

180

308

300

82

165

M12*25

220±1

LCT-8

200

308

300

82

165

M12*25

220±1

4.2 方型产品示意图;安装和外型尺寸。

方型产品示意图

方型产品型号及外型和安装尺寸 单位:毫米

型号

内孔?

宽度L

高度H

厚度D

孔距B

孔距C

地脚中心距E

地脚内螺孔

LCT-2D

80

196

165

49

145

124

173

M8

LCT-3D

100

216

187

54

158

138

193

M8

LCT-4D

120

236

211

59

173

154

213

M8

LCT-5D

140

275

250

73

202

180

255

M10

LCT-6D

160

275

250

73

202

180

255

M10

LCT-7D

180

300

268

81

217

179

270

M12

LCT-8D

200

360

325

75

260

240

330

M12

LCT-9D

220

360

325

75

260

240

330

M12

LCT-10D

240

360

325

75

260

240

330

M12

LCT-11D

260

386

344

82

279

238

355

M12

LCT-13D

300

464

412

81

290

340

428

M12

LCT-4D另提供一款特制型号,尺寸和电气技术参数如下:

方型 单位:毫米

型号

内孔Φ

宽度L

厚度D

高度H

孔距B

孔距C

地脚中心距E

地脚内螺孔

LCT-4D

120

300

81

268

217

179

270

M12

5  零序电流互感器参数选择选定原则

5.1选线装置配套零序电流互感器的选择

与我公司选线装置配套的零序电流互感器已按默认电气参数定制,客户选型时只需根据电缆型号配比相应的零序电流互感器(默认Ω型)即可,无需再提供电气参数要求。

5.2保护装置配套零序电流互感器的选择

5.2.1定货提供如下数据:

1、 产品型号、内孔直径;

2、一次零序电流、二次零序电流(或电流比);

3、二次负荷容量(VA)或负载阻抗;

4、准确级(如果有);

5、外型选择:Ω型、方型可任意选择。

5.2.2电气技术参数参照表

二次电流为1A标准

额定电流比(A)

额定二次容量(VA)

对应额定二次负载(Ω)

50/1

1

1

75/5

5

0.2

75/1

1

1

100/5

7.5

0.3

100/1

10

10

150/5

10

0.4

200/5

10

0.4

200/1

10

10

300/5

20

0.8

300/1

15

15

600/1

30

30

600/5

60

2.4

二次电流为5A标准

额定电流比(A)

额定二次容量(VA)

对应额定二次负载(Ω)

50/5

5

0.2

50/5

10

0.4

50/1

5

5

50/1

10

10

75/5

15

0.6

75/1

10

10

100/5

20

0.8

100/1

20

20

150/5

30

1.2

200/5

40

1.6

300/5

60

2.4

(以上参数为实例列举部分,以订货合同为准):


6安装使用说明

6.1零序电流互感器要远离其它较强磁场或导磁体以防干扰造成影响。

6.2电缆终端盒(电缆头)的接地线应和被监测电缆同时穿过互感器内孔并与电缆的金属外壁保持绝缘。

6.3接线端子侧向上。

6.4零序电流互感器的“K1”接装置零序电流信号回路的“*”端。另一端接地并引至装置的无“*”端。

6.5非使用端子在运行中必须保持开路。

6.6使用地脚螺丝水平安装后的零序电流互感器其上方作用力不得超过5kg。

6.7整体的互感器安装要在敷设电缆前进行,电缆敷设时穿过互感器;开口的零序互感器,在安装前拆成两半,其端面一定要擦净,并在铁芯端面均匀涂上一薄层凡士林,防止生锈。安装时上下两片要求对正,铁芯接触要严密,两螺栓扣紧要适当。开口式互感器上下两部分不可与其它互感器互换。

6.8质量10KG以上的互感器,如悬空使用地脚螺丝水平安装,请加装防断列支架。

6.9零序电流互感器需单独包装,发运到现场后再进行安装。

7现场电缆与互感器规格选择参数。

CT规格

?80

?100

?120

?140

?160

?180

?200

?240

电缆截面

(mm2

3×50

3×70

3×95

3×120

3×150

3×185

2×(3×150)

3×240

3×300

2×(3×185)

2×(3×240)

3×(3×185)

3×(3×240)

2×(3×300)

4×(3×185)



主站蜘蛛池模板: 安远县| 阿克| 舞阳县| 安仁县| 万安县| 宜都市| 云浮市| 专栏| 自贡市| 卓资县| 滨州市| 鲁甸县| 浪卡子县| 桃园县| 林芝县| 三台县| 司法| 那曲县| 辽阳县| 信丰县| 阜新| 清丰县| 天祝| 来宾市| 富川| 正安县| 诸暨市| 鄂温| 邢台县| 安图县| 汽车| 丹江口市| 南充市| 水城县| 邹城市| 油尖旺区| 始兴县| 沙田区| 北票市| 邛崃市| 郯城县|